PCB 설계 전문가 과정 후기
페이지 정보

본문
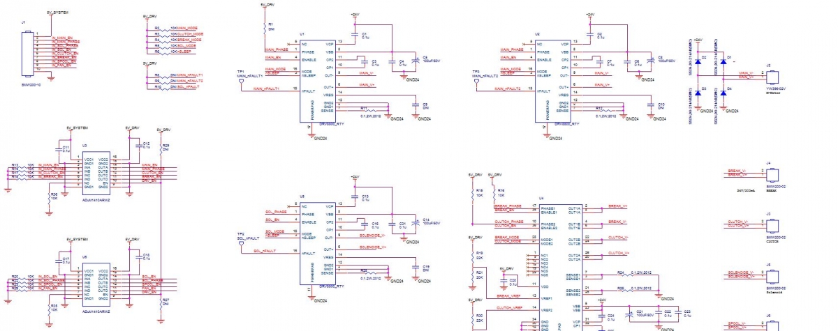
PCB분야에 대해서 무지하고 어디서부터 시작해야될지를 몰랐던 저에게 큰 도움이 되었습니다.
기초지식조차 없던 제가 어느새 6층까지 설계하고 있는 모습을 보면서 취업을 할 수 있다는 자신감이 더욱 더 생겼습니다.
저와 같은 상황인 분들께 꼭 추천드리는 교육입니다.
무엇보다 강사님께서 학생 한명한명씩 개별로 친절히 지도해주시는게 가장 좋았습니다!
기초지식조차 없던 제가 어느새 6층까지 설계하고 있는 모습을 보면서 취업을 할 수 있다는 자신감이 더욱 더 생겼습니다.
저와 같은 상황인 분들께 꼭 추천드리는 교육입니다.
무엇보다 강사님께서 학생 한명한명씩 개별로 친절히 지도해주시는게 가장 좋았습니다!
- 이전글PCB 설계전문가(1개월) 25.09.24
- 다음글PCB설계 전문가 수강후기 25.09.24

